

不同類別壓鉚螺母適用于不同板材:
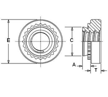
鉚螺母尺寸規格表:
| S™/SS™/CLS™/CLSS™/SP™ 螺母 (所有尺寸都是英寸) | ||||||||||||
| 螺紋 尺寸 |
類型 | 螺紋 代碼 |
底部 代碼 |
A 底部 最大 |
推薦 最小 板厚 |
薄板 孔徑 +.003 –.000 |
C(最大) Max. |
E ±.010 |
T ±.010 |
孔到中心邊緣最小距離 | ||
| 緊固件材質 | ||||||||||||
| 碳鋼 | 不銹鋼 | 硬化 不銹鋼 |
||||||||||
| .086-56 (#2- 56) |
S | CLS | SP | 256 | 0 | .030 | .030 | .166 | .165 | .250 | .070 | .19 |
| 1 | .038 | .040 | ||||||||||
| 2 | .054 | .056 | ||||||||||
| .099-48 (#3- 48) |
S | CLS | — | 348 | 0 | .030 | .030 | .166 | .165 | .250 | .070 | .19 |
| 1 | .038 | .040 | ||||||||||
| 2 | .054 | .056 | ||||||||||
| .112-40 (#4- 40) |
S | CLS | SP | 440 | 0 | .030 | .030 | .166 | .165 | .250 | .070 | .19 |
| 1 | .038 | .040 | ||||||||||
| 2 | .054 | .056 | ||||||||||
| 3(2) | .087 | .090 | ||||||||||
| .138-32 (#6-32) |
S | CLS | SP | 632 | 0 | .030 | .030 | .1875 | .187 | .280 | .070 | .22 |
| 1 | .038 | .040 | ||||||||||
| 2 | .054 | .056 | ||||||||||
| 3(2) | .087 | .090 | ||||||||||
| .164-32 (#8-32) |
S | CLS | SP | 832 | 0 | .030 | .030 | .213 | .212 | .310 | .090 | .27 |
| 1 | .038 | .04 | ||||||||||
| 2 | .054 | .056 | ||||||||||
| 3(2) | .087 | .09 | ||||||||||
| .190-24 (#10-24) |
SS | CLSS | SP | 024 | 0 | .030 | .030 | .250 | .249 | .340 | .090 | .28 |
| 1 | .038 | .040 | ||||||||||
| 2 | .054 | .056 | ||||||||||
| 3(2) | .087 | .090 | ||||||||||
| .190-32 (#10-32) |
SS | CLSS | SP | 032 | 0 | .030 | .030 | .250 | .249 | .340 | .090 | .28 |
| 1 | .038 | .040 | ||||||||||
| 2 | .054 | .056 | ||||||||||
| 3(2) | .087 | .090 | ||||||||||
| .216-24 (#12 -24) |
S | CLS | — | 1224 | 1 | .038 | .040 | .277 | .276 | .370 | .130 | .31 |
| 2 | .054 | .056 | ||||||||||
| 3 | .087 | .090 | ||||||||||
| .250-20 (1/4-20) |
S (3) | CLS | SP | 0420 | 0 | .045 | .047 | .344 | .343 | .440 | .170 | .34 |
| 1 | .054 | .056 | ||||||||||
| 2 | .087 | .090 | ||||||||||
| 3(2) | .120 | .125 | ||||||||||
| .250-28 (1/4-28) |
S | CLS | — | 0428 | 1 | .054 | .056 | .344 | .343 | .440 | .170 | .34 |
| 2 | .087 | .090 | ||||||||||
| 3 | .12 | .125 | ||||||||||
| .313-18 (5/16-18) |
S (3) | CLS | SP | 0518 | 1 | .054 | .056 | .413 | .412 | .500 | .230 | .38 |
| 2 | .087 | .090 | ||||||||||
| 3(2) | .120 | .125 | ||||||||||
| .313-24 (5/16-24) |
S | CLS | SP | 0524 | 1 | .054 | .056 | .413 | .412 | .500 | .230 | .38 |
| 2 | .087 | .090 | ||||||||||
| 3(2) | .120 | .125 | ||||||||||
| .375-16 (3/8-16) |
S | CLS | SP | 0616 | 1 | .087 | .090 | .500 | .499 | .560 | .270 | .44 |
| 2 | .120 | .125 | ||||||||||
| 3(2) | .235 | .250 | ||||||||||
| .375-24 (3/8-24) |
S | CLS | SP | 0624 | 1 | .087 | .09 | .500 | .499 | .560 | .270 | .44 |
| 2 | .120 | .125 | ||||||||||
| 3(2) | .235 | .250 | ||||||||||
| 4.38-20 (7/16-20) |
S | — | — | 0720 | 1 | .087 | .092 | .562 | .561 | .687 | .311 | .562 |
| .500-13 (1/2-13) |
S | CLS | — | 0813 | 1 | .120 | .125 | .656 | .655 | .810 | .360 | .63 |
| 2 | .235 | .250 | ||||||||||
| .500-20 (1/2-20) |
S | CLS | — | 0820 | 1 | .120 | .125 | |||||
| 2 | .235 | .250 | ||||||||||