
材質:5056鋁釘體/鋁合金釘桿(50KSI抗剪切力);5056鋁釘體/耐蝕鋼釘桿(50KSI抗剪切力);monel釘體/耐蝕鋼釘桿(75KSI抗剪切力);鎳合金600釘體/Inconel X-750釘桿(75KSI抗剪切力)
頭型:MS20470標準圓頭;MS20426標準100°沉頭;NAS1907標準100°沉頭;平角沉頭;120°沉頭
直徑:-04、-05、-06、-08
產品系列:CR3212、CR3213、CR3214、CR3222、CR3222TU、CR3223、CR3223TU、CR4223、CR3242、CR3242A-4-02.5、CR3242BT-4-02、CR3243、CR3245、CR3246、CR3252、CR3252TU、CR3253、CR3253HS、CR3253TU、CR3255、CR3280、CR3281、CR3522、CR3522TU、CR3523、CR3523HC-5、CR3523TU、CR3524、CR3552、CR3552、TUCR3553、CR3553-5-02.5、CR3553-5-03.5、CR3553TU、CR3555、CR3556、CR3822、CR3823、CR3852、CR3853
編號舉例:CR3 24 2 -6 -04 W,說明如下
CR3:鉚釘基本編號
24:鉚釘類型和材質
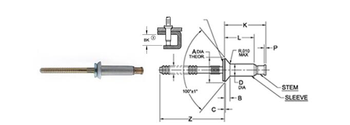
2:頭型,偶數表示平頭;奇數表示沉頭
-6:鉚釘直徑,5/32’
-04:鉚接厚度編碼,4/16’
W:鉚釘的圖層方式。無編碼表示無圖層;“BE”表示鋁圖層(NAS4006和BMS10-85標準);“D”表示IVD鋁圖層;“EE”表示鋁圖層;“HK”表示Hi Kote圖層;“W”表示陽極處理藍色圖層